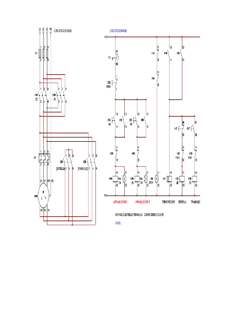
Arranque Estrella Triangulo Con Inversion De Giro / Guardarguardar arranque estrella triangulo con inversion de giro para mas tarde.

Arranque Estrella Triangulo Con Inversion De Giro - ¿por que primero en estrella y luego en triangulo?

Random Posts

  • Caras Kawai
  • Te Quiero:qqio6Txbtp4= Gracias Por Estar En Mi Vida
  • Sonido Condor Png
  • Imagenes De Payasos Cholos Para Dibujar
  • Buenos Dias Graciosos Gif
  • Angel Quezada Tatuajes De Santa Fe Klan En El Cuello
  • Ojos De Caricatura Tiernos Para Dibujar
  • Bonitas Frases De Amor De Canserbero
  • Abecedario:od2X8Artl8U= Tipos De Letras
  • Grandes Letras Lindas Para Copiar
  • Letras Bonitas G Cursiva Mayuscula Elegante
  • Sonido Condor Logo
  • Teknik Dasar Lari Jarak Pendek Meliputi Brainly
  • Dibujos De Bely Y Beto Para Imprimir
  • Coppel Muebles Recámaras
  • Popular Posts

  • Chidas Lapiz Dibujos De Cholas
  • Modelo De Letras Para Carteles
  • Tipos De Letras Bonitas Para Titulos A Mano
  • Tipos Letras Moldes Bonitas
  • Nanpa Basico Tattoos
  • Moldes De Letras Bonitas Para Titulos
  • Chair Josiah Colt
  • Fotos Fondos Cazzu
  • Kawaii Eyes Png
  • Sofia Matus Corista De Diego Verdaguer
  • Jean Carlo León Y Su Novia
  • Cumpleaños De La Vaca Lola
  • Tira Indirectas Whatsapp Indirectas Para Tu Ex
  • Letras Bonitas De Amor
  • Te Quiero Mucho Gracias Por Estar En Mi Vida